Descrição
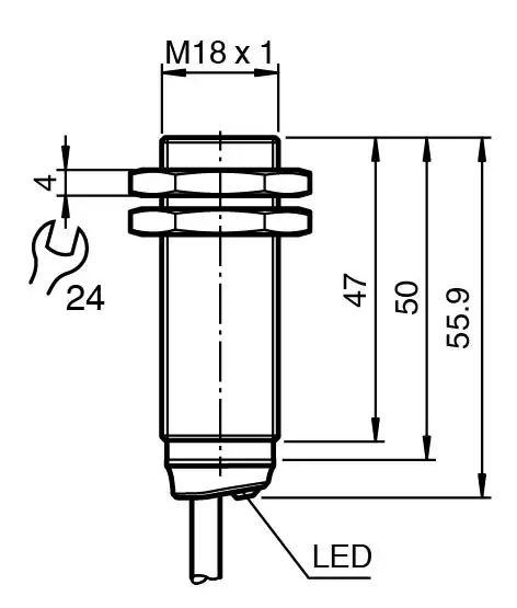
O Sensor Indutivo NBB5-18GM50-E0 oferece a combinação ideal de precisão e versatilidade. Com seu corpo robusto M18 e montagem faceada (flush), ele é perfeito para ambientes industriais onde o espaço é limitado. A sua capacidade de ser embutido na superfície protege o sensor contra impactos e otimiza a área de trabalho.
A distância de detecção de 5mm garante alta precisão, tornando-o ideal para aplicações que exigem a detecção de pequenos objetos metálicos ou controle de posicionamento exato. Operando com uma faixa de tensão de 6 a 36 VDC, a sua saída NPN oferece flexibilidade para sistemas de automação que requerem esse tipo de configuração, simplificando a integração e a comunicação com o seu CLP.
Detalhes técnicos do produto
• Modelo: NBB5-18GM50-E0
• Diâmetro: M18
• Tipo de Montagem: Faceado (Flush)
• Distância de Detecção: 5mm
• Tensão de Operação: 6 – 36 VDC
• Saída: NPN

Avaliações
Não há avaliações ainda.